
|
序号 |
测试项目 |
测试参数及要求 |
测试条件 |
客户要求 |
|
1 |
额定电压/频率 |
AC220V 50Hz |
|
|
|
2 |
额定输入功率 |
≤120 W |
在额定电压及140KPa的工作压力 |
|
|
3 |
额定电流 |
≤0.6A |
在额定电压及140KPa的工作压力 |
|
|
4 |
启动瞬间最大功率 |
≤290 W |
|
|
|
5 |
启动电流 |
≤1.4 A |
|
|
|
6 |
额定工作压力 |
140 KPa |
|
|
|
7 |
额定容积流量 |
≥19L/min |
在额定电压及140KPa的工作压力 |
|
|
8 |
允许最大瞬间压力 |
220 KPa |
|
|
|
9 |
额定转速 |
1400 RPM |
在额定电压及140KPa的工作压力 |
|
|
10 |
噪音 |
≤48 dB(A) |
距离压缩机1米处测试,环境噪音≤32dB(进出气口用PVC管或铜管引出到噪音房外) |
|
|
11 |
使用环境温度 |
-10~+40℃ |
|
|
|
12 |
绝缘等级 |
B级 |
|
|
|
13 |
热保护器 |
自动复位130±5℃ |
|
|
|
14 |
启动压力 |
0 Kpa |
|
|
|
15 |
耐电压强度 |
1800V/1sec./2mA |
|
|
|
16 |
冷态绝缘电阻 (常态) |
≥500MΩ |
|
|
|
17 |
配置电容 μF |
4.5μF±5% |
187插片式端子,450V,P2 |
|
|
18 |
重 量 |
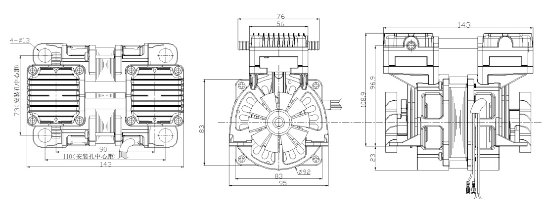
2.43 Kg |
|
|